|
|
| 型 号: |
LTH-L 荷重传感器(200kg-30t)
|
| 特点与用途: |
该传感器采用轮幅式弹性体结构,利用剪切式应力原理,具有低外形、抗偏载、精度高、强度好等特点。广泛应用于工业系统中的天车称、轨道衡、料斗称、粉料仓等各种称重和力的测量。
(量程范围:200kg - 30t,超过30t量程请参阅LTH-LM系列)
|
|
| 产品结构图: |
|
|
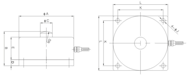
| 外形尺寸: |

|
量程 |
ØA |
ØC |
B |
E |
D |
L |
K |
4-ØJ |
SR |
|
0.2-0.7t |
72 |
16 |
41 |
25 |
8 |
72 |
62 |
4.6 |
8 |
|
1-8t |
88 |
20 |
54 |
34 |
10 |
88 |
75 |
5.6 |
12 |
|
10-15t |
114 |
25 |
70 |
46 |
13 |
114 |
95 |
6.5 |
25 |
|
20-30t |
145 |
32 |
91 |
60 |
16 |
145 |
120 |
11 |
30 |
|
|
| 技术参数: |
|
参数 |
单位 |
技术指标 |
|
灵敏度 |
mV/V |
2.0±0.05 |
|
非线性 |
≤ %F·S |
±0.03 |
|
滞后 |
≤ %F·S |
±0.03 |
|
重复性 |
≤ %F·S |
±0.03 |
|
蠕变 |
≤ %F·S / 30min |
±0.03 |
|
零点输出 |
≤ %F·S |
±1 |
|
零点温度系数 |
≤ %F·S / 10℃ |
±0.03 |
|
灵敏度温度系数 |
≤ %F·S / 10℃ |
±0.03 |
|
工作温度范围 |
℃ |
-20℃ ~ +80 ℃ |
|
输入电阻 |
Ω |
750±20Ω |
|
输出电阻 |
Ω |
700±5Ω |
|
安全过载 |
%F·S |
150%F·S |
|
绝缘电阻 |
MΩ |
≥5000 MΩ(50 VDC) |
|
激励电压 |
V |
10V ~ 15V |
|
材质 |
合金钢 |
|
防护等级 |
IP65 |
|
电缆线尺寸 |
Ø5Х2000mm |
|
接线方式 |
电源:红(+) 黑(-) 输出:绿(+) 白(-) |
|
备 注 |
外接变送器后,可设计成12VDC或24VDC供电,0~5V、4~20mA或RS485/MODBUS信号输出 |
|
压式力传感器
|
|