|
|
| 型 号: |
LTH-D 定滑轮式荷重传感器(2t-50t)
|
| 特点与用途: |
传感器采用双剪切梁式结构,主要安装于定滑轮轴下,也可以用于在平衡滑轮轴等其他形式的轴下,常用于起重限制器的传感器。用其作为滑轮座来测量载体的重量。特点:采用两端支撑,中间受力的桥式结构,恰似两个完全相同的悬臂梁传感器对接在一起。量程范围广,测量精度高,性能稳定可靠,抗侧向力和抗冲击性能好,安装使用方便。也可做成4—20mA二线制输出。
|
|
| 产品结构图: |
|
|
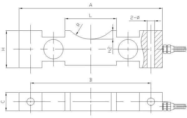
| 外形尺寸: |

|
量程 |
A |
C |
H |
B |
L |
R |
h2 |
2-Ø |
|
2t |
250 |
32 |
65 |
210 |
90 |
50 |
15 |
13 |
|
3t |
38 |
|
5t |
300 |
44 |
80 |
250 |
110 |
60 |
18 |
17 |
|
10t |
20 |
|
15t |
350 |
60 |
106 |
295 |
146 |
80 |
23 |
22 |
|
20t |
|
30t |
410 |
68 |
114 |
340 |
170 |
90 |
26 |
26 |
|
50t |
460 |
116 |
360 |
32 |
|
|
| 技术参数: |
|
参数 |
单位 |
技术指标 |
|
综合精度 |
≤ %F·S |
0.05(线性+滞后+重复性) |
|
灵敏度 |
mV/V |
1.5±0.05 |
|
蠕变 |
≤ %F·S / 30min |
±0.05 |
|
零点输出 |
≤ mv/v |
±0.1 |
|
零点温度系数 |
≤ %F·S / 10℃ |
±0.05 |
|
灵敏度温度系数 |
≤ %F·S / 10℃ |
±0.05 |
|
工作温度范围 |
℃ |
-20℃ ~ +80 ℃ |
|
输入电阻 |
Ω |
750±20Ω |
|
输出电阻 |
Ω |
700±5Ω |
|
安全过载 |
%F·S |
150%F·S |
|
绝缘电阻 |
MΩ |
≥5000 MΩ(50 VDC) |
|
激励电压 |
V |
10V-15V |
|
材质 |
合金钢 |
|
防护等级 |
IP67 |
|
电缆线尺寸 |
Ø5Х2000mm |
|
接线方式 |
电源:红(+) 黑(-) 输出:绿(+) 白(-) |
|
备 注 |
外接变送器后,可设计成12VDC或24VDC供电,0~5V、4~20mA或RS485/MODBUS信号输出 |
|
压式力传感器
|
|