特色产品
     压式力传感器
     单点式力传感器
     拉压式力传感器
     静|动态扭力传感器
     三|六维力传感器
     位移|角度传感器
     力值显示仪|变送器
     无纸记录仪表
     单通道|多通道数显仪
     温度|湿度传感器
     液压|气压传感器
     液位传感器|仪表
     流量传感器|仪表
  当前位置:首页>产品中心> 三|六维力传感器
型   号: LTN-F31 三维力传感器(10kg-50kg)
特点与用途: ¤  不锈钢钢材料

¤  三维力的测量

¤  防护等级IP65, 耐腐蚀

¤  相互干扰误差小

¤  用于机器人手过载保护、自动化工具等工业测量系统

¤  额定载荷:10kg20kg50kg100kg

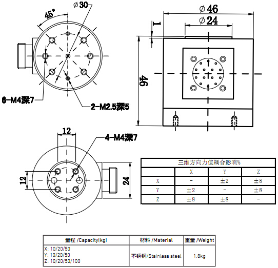
产品结构图:
外形尺寸:
技术参数:

参数

单位

技术指标

综合精度

%F·S

1.0(线性+滞后+重复性)

灵敏度

mV/V

1.5±0.005

零点输出

%F.S

±2

零点温度系数

%F·S / 10

±0.05

灵敏度温度系数

%F·S / 10

±0.05

工作温度范围

-10 ~ +60

输入电阻

Ω

385±10Ω

输出电阻

Ω

350±3Ω

安全过载

%F·S

150%F·S

激励电压

V

5V-10V

材质

合金钢

防护等级

IP65

接线方式

电压: 输入+() 输入- () ;   Fx: 信号+(绿) 信号- ();

Fy: 信号+() 信号- ();     Fz: 信号+() 信号- ()

电缆线尺寸

Ø6Х2000mm

    

外接变送器后,可设计成12VDC24VDC供电,05V420mARS485/MODBUS信号输出

三|六维力传感器
 
    地址:北京海淀区清华大学南侧三才堂写字楼2061B    邮编:100084    联系电话:010-82617590 / 52455906 / 62578178    传真电话:010-62578178    邮箱:bjlxtl88@163.com